Akcja klimatyzacja towarzyszy remontowi Pani Bulgot właściwie od samego początku. Do tej pory wydawało mi się, że dostosowanie układu do nowego czynnika R-134 będzie jedynym problemem. Po jego udanym przezbrojeniu okazało się jednak, że na pokładzie jest tylko i wyłącznie Syberia, natomiast uzyskanie odrobiny ciepełka, pożytecznego w chłodniejsze dni, jest absolutnie niemożliwe. Nasza W116 wyposażona jest w climatronik i w związku z tym regulacji temperatury wewnątrz pojazdu dokonuje się pokrętłem (potencjometrem), znajdującym się w konsoli środkowej. Jak jest w takim razie sterowany zawór nagrzewnicy, skoro nigdzie nie ma żadnej linki, lub cięgna, które mogłoby go załączyć? Przypomniało mi się, że pod maską znajduje się taki dziwny dynks, z mnóstwem kabli i rurek podciśnienia, do którego doprowadzono również dwa węże z płynem chłodniczym. Ów dynks - serwo klimatronika przedstawiają zdjęcia 1 i 2.
zdj. 1
zdj. 2
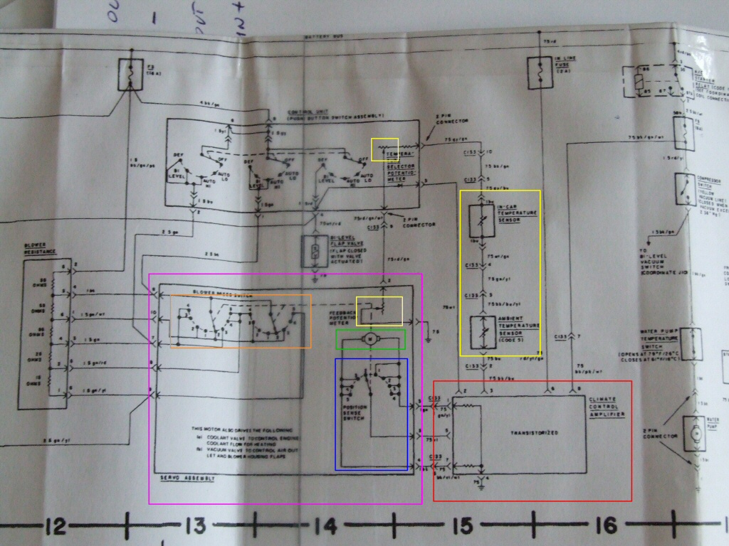
Po przeanalizowaniu działania tego ustrojstwa (serwa klimatronika), okazało się, że jest to dość skomplikowane urządzenie, które steruje prędkością wentylatora dmuchawy, zaworami podciśnienienia, które otwierając się lub zamykając, sterują uchyleniem klap nawiewów, zaworem nagrzewnicy, na przełączniku parkującym i potencjometrze równoważącym kończąc. Wszystkie czynności, wykonywane przez ww. urządzenia, sterowane są za pomocą silnika elektrycznego, który może zmieniać kierunek obrotów. Pozycja PARK, do której powraca serwo klimatronika po wyłaczeniu zapłonu, wypada mniej więcej w połowie, co odpowiada średniej temperaturze wewnątrz pojazdu (ani ciepło, ani zimno - delikatnie można by było dogrzać). Dwie skrajne pozycje serwa powodują uruchomienie maksymalnego ogrzewania lub maksymalnego schładzania. Im bliżej pozycji PARK znajduje się serwo, tym bardziej zmniejsza się ogrzewanie lub chłodzenie wnętrza samochodu. Zasadę działania serwa przedstawia rysunek 3.
rys. 3
Na rysunku 3 (schemacie), widoczne są również pozostałe elementy klimatronika, które oznaczyłem różnymi kolorami. I tak:
1. Fiolet - serwo klimatronika (opisane wyżej), składające się z:
a. przełącznika obrotów dmuchawy (pomarańczowy), który steruje opornikami wentylatora dmuchawy,
b. silnika, który steruje przekładnią serwa (zielony),
c. przełącznika parkującego (niebieski),
d. potencjometra równoważącego (żółty).
2. Sterownik klimatronika (czerwony).
3. Potencjometr ustalający temperaturę wnętrza (żółty).
4. Czujnik temperatury zewnętrznej (żółty).
5. Czujnik temperatury wewnątrz auta (również żółty).
Sterownik klimatronika znajduje się na obudowie dmuchawy, dostęp do niego uzyskujemy po wyjęciu schowka z deski rozdzielczej po prawej stronie. Czujnik temperatury zewnętrznej znajduje się pomiędzy serwem klimatronika, a modułem oporników dmuchawy. Czujnik temperatury wewnętrznej znajdziemy po środku deski rozdzielczej, w jej górnej części.
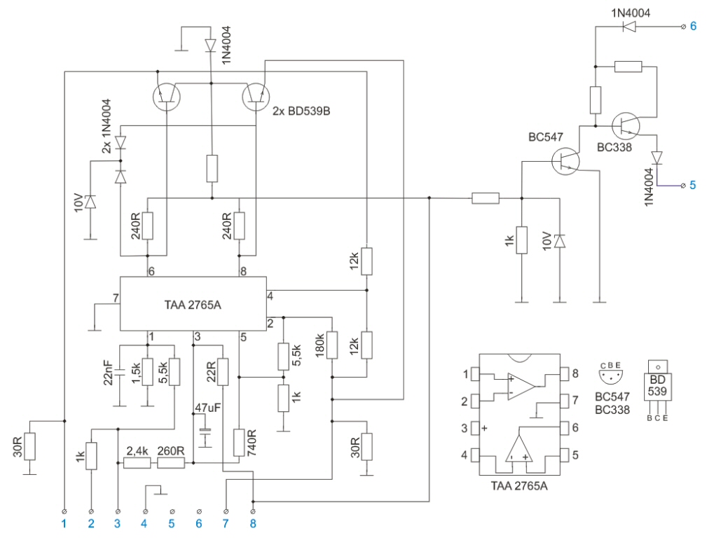
Sterownik klimatronika jest kolejnym, po serwie, istotnym elementem klimatronika. Steruje on silniczkiem serwa, zmienia jego kierunek obrotów i zatrzymuje go w zalezności od temperatury zewnętrznej, wewnatrz pojazdu oraz ustalonej potencjometrem w konsoli. Ów sterownik to komparator składający się z dwóch wzmacniaczy operacyjnych, który osiąga stan równowagi po "podaniu" odpowiedniej oporności na wejściach względem masy. Stan równowagi powoduje zatrzymanie silnika serwa. Schemat modułu przedstawia rysunek 4.
rys. 4
Wzmacniacz operacyjny, jako komparator działa na zasadzie "porównywania" napięć na jego wejściach (wej+ i wej-). Gdy napięcie na wejściu+ jest większe lub prawie równe napięciu na wejściu-, na wyjściu wzmacniacza pojawia się napięcie = napięciu zasilania wzmacniacza - w tym przypadku 12V. Gdy napięcie na wejściu+ jest mniejsze od tego na wejściu- , lub równe 0V, na wyjściu wzmacniacza pojawi się 0V.
Wracając do sterownika, zmniejszenie oporności (styk 3) powoduje wzrost napięcia na wejściu (+) jednego wzmacniacza operacyjnego oraz jego spadek na wejściu (+) drugiego. Powoduje to uzyskanie 12V na pierwszym wzmacniaczu oraz 0V na drugim - silnik zaczyna obracać się w danym kierunku. Zwiększenie oporności (styk 3) powoduje analogicznie odwrotną sytuację, co powoduje pojawienie się 0V na pierwszym wzmacniaczu operacyjnym i 12V na drugim - silnik serwa zaczyna obracać się w przeciwnym kierunku. Po osiągnięciu równowagi, na wyjściach obydwu wzmacniaczy operacyjnych napięcia wynoszą 0V, co powoduje zatrzymanie silnika. Silnik (styki 1 i 7) zasilany jest tranzystorami mocy (BD 539B), których bazy sterowane są z wyjść wzmacniaczy (scalak TAA 2765A). Układ komparatora działa tylko wtedy, gdy na styku 8 będzie napięcie 12V (po włączeniu stacyjki).
Oporność równoważącą układ tworzą: potencjometr ustalający temperaturę, dwa termistory (czujnik temp. zewnętrznej i wewnątrz pojazdu) oraz potencjometr równoważący, który sterowany jest silnikiem w serwie. Powyższe elementy są połączone szeregowo pomiędzy stykiem 3 modułu klimatronika, a masą. Oporność równowagi to dokładnie 3,96k. Jej wzrost o 100R powoduje załączenie silnika, a jej spadek o 100R, zmianę kierunku jego obrotów.
Wzrost oporności na którymś z termistorów lub na potencjometrze ustalającym temperaturę wewnątrz auta, powoduje załączenie silnika serwa i obrót potencjometru równoważącego w kierunku spadku jego oporności. Analogicznie, w przypadku spadku oporności ww. elementów, silnik serwa będzie obracał się w przeciwnym kierunku, co spowoduje wzrost oporności potencjometru równoważącego. Po ponownym osiągnięciu równowagi (oporność 3,96k), sterownik klimatronika wyłączy silnik serwa.
Oprócz komparatora, moduł klimatronika wyposazony został również w układ parkujący, którego zadaniem jest ustawienia serwa w pozycji PARK po wyłaczeniu zapłonu. Wymaga on stałego zasilania (styk 6). Napięcie podawane jest bezpośrednio z akumulatora, przez bezpiecznik w oprawce naprzewodowej, który znajduje się w skrzynce bezpieczników.
Układ parkujący został zrealizowany na dwóch tranzystorach (BC547 i BC338), trzech opornikach i dwóch diodach. Układ działa tylko wówczas gdy styk 8 nie jest zasilany (wyłączenie zapłonu) oraz styk 5 jest zwarty z jednym z biegunów silnika (styk 1 lub 7). Kierunek obrotów silnika podczas parkowania zależny jest od tego z którym stykiem (1 lub 7) zwarty jest styk 5. Gdy obwód (styk 5-1 lub 7-1) zostanie otwarty (pozycja serwa PARK), silnik zostanie wyłączony.
Przyczyną braku mozliwości włączenia ogrzewania i jakiejkolwiek regulacji temperatury w Pani Bulgot, był uszkodzony sterownik klimatronika, który po załączeniu zapłonu ustawiał serwo w pozycji maksimum chłodu. Dodatkowo cały czas podawał napięcie na silnik serwa, co ostatecznie spowodowało przegrzanie elektroniki sterownika poprzez wydzielające się ciepło na opornikach 30R, które mają moc 5W. Zdjęcie 5 przedstawia sterownik klimatronika. Na zdjęciu 6 ten sam sterownik po zdjęciu obudowy.
zdj. 5
zdj. 6
Reanimacja sterownika polegała na wymianie kondensatora elektrolitycznego 47uF, który po upływie 30lat nieco się wyeksploatował. W wyniku przegrzania, musiałem dodatkowo wymienić dwie diody 1N4004, diodę zenera stabilizującą napięcie na wyjściach komparatora oraz scalak TAA 2765A. Profilaktycznie wymieniłem kilka osmalonych oporników i poprawiłem zimne luty. Układ parkujący nie wymagał ingerencji, ponieważ okazał się sprawny. Najwięcej kłopotu miałem z zakupem scalaka, ponieważ nie jest już produkowany. Po dłuższych poszukiwaniach, udało mi się go kupić na Wolumenie za ok. 10zł. - prawdopodobnie pochodziła ze starych zapasów. Trudnosci z zakupem scalaka nie stanowią w zasadzie problemu, ponieważ można go zastąpić dowolnym duowzmacniaczem operacyjnym, pod warunkiem że go prawidłowo podłączymy w miejsce uszkodzonego elementu. Wyprowadzenia oryginalnego scalaka są uwzględnione na schemacie (rys. 4).
Po wymianie elementów sprawdziłem układ, aby ustalić oporność równowagi. Do styków 1 i 7 podłączyłem silniczek 12V, który kiedyś wymontowałem z jakiegoś magnetofonu. Do styku 3 podłączyłem trzy potencjometry 10k, 1k oraz 220R połączone szeregowo, w ten sposób usyskałem możliwość zgrubnej oraz precyzyjnej regulacji oporności. Napięcie +12V podane zostało na styki 6 i 8, a masa na styk 4. Sprawdzenie układu parkowania polegało na odpięciu zasilania ze styku 8, a następnie zwarcie kolejno styków 5-1 oraz 5-7. Silnik powinien zmieniać kierunek obrotów w zależności od tego, która para styków jest zwarta. W przypadku gdy styk 5 nie jest zwarty, silnik powinien się zatrzymać.
Przyczynami niewłaściwego działania sterownika może być:
1. Niewłaściwa oporność równoważąca (styk 3). W tym przypadku należy sprawdzić, jaka jest właściwa oporność równowagi układu sterownika. Jeżeli sterownik działa prawidłowo, należy sprawdzić, jaka jest oporność wszystkich elementów w układzie (termistory, potencjometr ustalający temp. wnętrza oraz potencjometr równoważący w serwie). Najprościej to zrobić, podłączając omomierz pomiędzy styk 3 i 4 w wiązce (kostka sterownika klimatronika). Przed pomiarem należy odłączyć sterownik. Jeżeli różnica oporności obwodu wynosi więcej niż +/- 500R - 700R, należy wówczas posprawdzać każdy element osobno. Różnica 500R - 700R wynika stąd, że potencjometr równoważący w serwie przyjmuje wartości w skrajnych położeniach 346R - 1856R. Oporności, jakie przyjmuje termistor temperatury wewnętrznej i zewnętrznej oraz potencjometr ustalający temp. wnętrza pokazuje tabelka 7. Jeżeli okazałoby się, że uszkodzeniu uległ potencjometr równoważący w serwie - masz problem. Nowe serwo kosztuje ok. 1100$.

W przypadku gdy oporność obwodu jest mniejsza, należy dobrać odpowiedniej wartości opornik i podłączyć go szeregowo do istniejącego obwodu. Jeżeli oporność będzie większa, należy podłączyć dodatkowy opornik równolegle. W moim przypadku oporność była za duża (potencjometr w serwie). Rownoległe podłączenie szeregowego pakietu oporników (łącznie) 12k rozwiązało problem.
Warto przy tej okazji wspomnieć o wyprowadzeniach serwa (są tam dwie 5-stykowe kostki). Najistotniejsze do diagnostyki są wyprowadzenia silnika, potencjometru oraz przełącznika parkującego. Wszystkie ww. wyprowadzenia znajdują się w drugiej kostce od strony ściany grodziowej (pierwsza steruje prędkością dmuchawy). I tak:
1 i 2 - opornik równoważący,
3 - styk przełącznika parkującego
4 i 5 - silnik
W razie problemów, można jeszcze sprawdzić zakres oporności opornika równoważącego. Można to zrobić podłączając omomierz do styków 1 i 2 oraz akumulator do styków 4(+) i 5(-) / 4(-) i 5(+). Zmiana polaryzacji spowoduje zmiane kierunku obrotów silnika i tym samym przestawienie serwa.
Sprawdzanie sterownika klimatronika (jeśli nie działa), należy zacząć od wyeliminowania zimnych lutów.
2. Uszkodzenie scalaka w sterowniku... Aby go sprawdzić, najprościej jest podać +12V kolejno na nóżkę 1 (silnik powinien zacząć się obrać), a następnie na nóżkę 5 (silnik powinien zmienić kierunek obrotów). Następnie nalezy analogicznie podłączyć do ww. nóżek masę i obserwować działanie silnika. Ostatnim etapem jest przyłożenie masy do nóżek 1 i 5 scalaka jednocześnie - silnik powinien się wówczas zatrzymać. Jeżeli układ wykazuje właśnie takie objawy, jego scalak jest sprawny.
Jeżeli powyższe testy wypadną negatywnie (silnik obraca się tylko w jednym kierunku lub nie obraca się wcale), należy sprawdzić tranzystory mocy (BD539B) oraz trzy diody 1N4004 oraz dwie diody zenera, które pracują w układzie komparatora. Jeżeli ww. są OK, należy sprawdzić oporniki (240R) sterujące bazami tranzystorów mocy oraz napięcie na nóżce 3 scalaka (12V). Brak napięcia zasilającego scalak, oznacza usterkę pornika 22R lub/i kondensatora 47uF. Ten ostatni należy profilaktycznie wymienić. Jeżeli sprawdzenie i ew. wymiana ww. elementów nie przyniesie rezultatu, oznacza to uszkodzenie scalaka.
Jeżeli opisany wyżej test scalaka wypadł pozytywnie, a mimo to nie da się ustawić oporności, przy której silnik zatrzymałby się, lub zmienił kierunek obrotów, należy sprawdzić oporniki w obwodach wejść wzmacniaczy operacyjnych (nóżki 1, 3, 5, 2, 4).
3. Uszkodzenie układu parkującego jest łatwe do zlokalizowania - najczęściej uszkodzeniu ulega któryś z tranzystorów (BC547 lub BC338) lub diody 1N4004 (styki 5 i 6 modułu).
Uff to chyba wszystko. Nie uwzględniłem tu obwodu przełącznik-oporniki dmuchawy-dmuchawa, ponieważ to akurat, podobnie jak układ zaworków podciśnieniowych, okazały się sprawne. Przepraszam za niezbyt fachowy opis zasad działania układu i wzmacniaczy operacyjnych. Elektronika to tylko moje hobby.

Mam nadzieję, że być może powyższy opis okaże się komuś przydatny. Pozwalam go sobie tutaj zamieścić, ponieważ nie znalazłem na forum podobnego tematu.