MB/8 Club Poland - Klub i forum miłośników samochodów Mercedes-Benz

Forum dyskusyjne klubu właścicieli i miłośników samochodów marki Mercedes-Benz
Dzisiaj jest ndz lut 01, 2026 11:39 am

Strefa czasowa UTC+01:00




Nowy temat  Odpowiedz w temacie  [ Posty: 1 ] 
Autor Wiadomość
Post: wt lip 13, 2010 10:37 pm 
Offline
postmajtek
Awatar użytkownika

Rejestracja: wt wrz 09, 2008 11:31 am
Posty: 49
Lokalizacja: Przeworsk
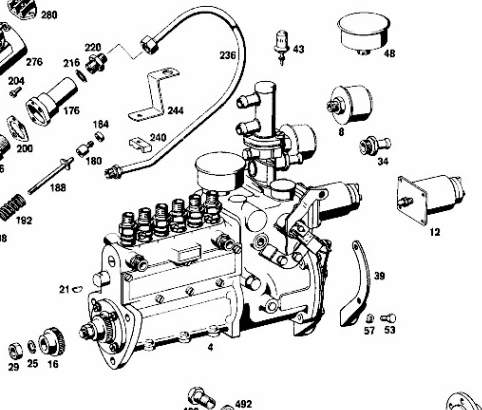
Czy według Was element pompy wtryskowej ze zdjęcia ( nr. 12 startmagnet ) jest rozbieralny - naprawialny ?
A może ktoś ma do sprzedania lub wie gdzie można nabyć ? Merc w108 250 SE
Załącznik:
pompa1.JPG
pompa1.JPG [ 39.9 KiB | Przejrzano 419 razy ]

Załącznik:
startmagnet2.JPG
startmagnet2.JPG [ 19.65 KiB | Przejrzano 419 razy ]

_________________
MB W115 200D - sprzedany
MB W108 250SE, Fiat 124 spider , Jaguar x300,


Na górę
Wyświetl posty nie starsze niż:  Sortuj wg  
Nowy temat  Odpowiedz w temacie  [ Posty: 1 ] 

Strefa czasowa UTC+01:00


Kto jest online

Użytkownicy przeglądający to forum: Obecnie na forum nie ma żadnego zarejestrowanego użytkownika i 5 gości


Nie możesz tworzyć nowych tematów
Nie możesz odpowiadać w tematach
Nie możesz zmieniać swoich postów
Nie możesz usuwać swoich postów
Nie możesz dodawać załączników

Przejdź do:  
Technologię dostarcza phpBB® Forum Software © phpBB Limited
Polski pakiet językowy dostarcza phpBB.pl